
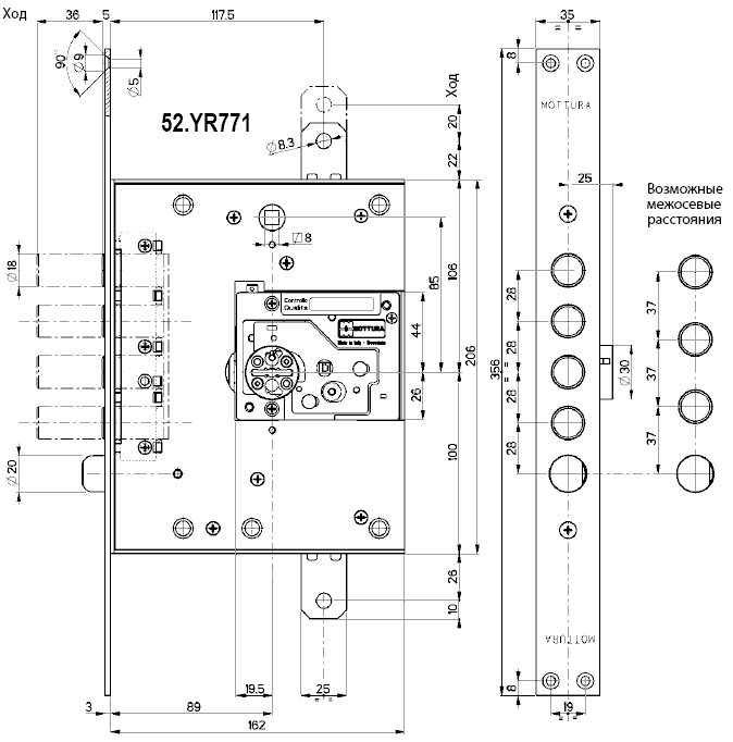
Замок Моттура 52.YR771 My Key
Посилена модель 52-ї серії з защіпкою, керуванням фалевою ручкою та можливістю самостійного перекодування. Основне призначення — експлуатація у важких сталевих дверях та конструкціях зі сталі. Виготовлений в Італії.
Особливості моделі
Найважливіші особливості моделі — подовжені ригелі, можливість швидкої зміни секрету замка своїми силами та система розпізнавання ключів із запобіганням їх копіюванню сторонніми особами.
Довгі ригелі підвищують протистояння замка силовому зламу (віджиму ломом, наприклад). При повному виході вони наполовину залишаються в замку, і зусилля зламу припадає точно на середину ригелів, а не область, близьку до краю, де ригелі кріпляться до засуву і де зазвичай відбувається вигин засуву з можливим зламом. Таке рішення, поряд із підвищенням зламостійкості, збільшує і розміри — модель має більший розмір у глибину і збільшений бексет, якщо порівнювати з базовим замком серії 52.771.

Можливість зміни секретності замка надає механізм Nucleo Replay – при втраті ключів потрібно лише купити новий набір та перекодувати замок на нові ключі. Старі ключі після цієї операції підходити до замка вже не будуть і не змінюватимуть його.
У блоці Nucleo Replay також здійснюється розпізнавання ключа за допомогою технології My Key. Суть її в тому, що ключі мають спеціальні елементи, за допомогою яких механіка замка може впізнати свій ключ. У ключів My Key такими елементами є дві рухомі кульки, розміщені в ніжці ключа між борідками — без цих елементів ключі відкрити замок не зможуть.
Наявність кульок також запобігає небажаному копіюванню ключів — їх заготовки постачаються фабрикою виключно в сертифіковані центри Mottura Club (в Одесі такі є), а дублікати виготовляються після пред'явлення пластикової картки, що входить до комплекту, з кодовою комбінацією замка та одного з ключів. Тому навіть якщо ключ потрапить до рук сторонніх осіб, виготовити його дублікат буде непросто.
Модель має секретний механізм сугальдного типу з подвійною борідкою, ключі якого мають різні секрети на шести різних висотах. Однією з важливих особливостей Nucleo Replay є шайба відсічки, яка при повороті механіки замка перекриває по краях ключовий канал, не даючи можливості проводити маніпуляції відмичками, для яких потрібні краї ключової щілини.
У комплект, крім замка, входить запірна планка, внутрішня та зовнішня декоративні накладки, два набори ключів із різними секретами — допоміжного з двох та основного із п'яти ключів. Допоміжні ключі є повноцінними і при потребі їх цілком можна використовувати для відкриття та закриття замка.




