
Замок Моттура 52.J783 My Key
Замок 52-ї серії з можливістю самостійного перекодування. Одна з останніх моделей у серії 52.783, що має найкращу зламостійкість і компактні розміри. Основне призначення — експлуатація у важких сталевих дверях та конструкціях зі сталі. Виготовлений в Італії.
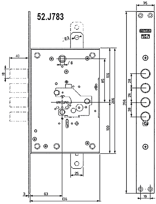
Особливості моделі
Найважливіші особливості моделей з літерою «J» — можливість швидкої зміни секрету замка самотужки, компактні розміри та система розпізнавання ключів із запобіганням їх копіюванню сторонніми особами.
Модель 52.J783 My Key надає можливість перекодування — ця опція була й у моделей з літерою Y (52.Y783), але в них зміна секрету здійснювалася механізмом Nucleo Replay. Цей блок надійний з усіх поглядів, у нього лише один недолік — фігурна шайба, що виступає, збільшує габарити замка. У 52.J783 Nucleo прибрано, але збережено всі можливості з перекодування — при втраті ключів потрібно лише купити новий набір і перекодувати замок на нові ключі. Старі ключі після цієї операції підходити до замка вже не будуть і не відкриватимуть його. Відсутність Nucleo також дозволила не збільшувати габарити замка – вони повністю збігаються із розмірами базової моделі 52.783.
Механіка замка здійснює розпізнавання ключа за допомогою технології My Key. Суть її в тому, що ключі мають спеціальні елементи, за допомогою яких замок може впізнати свій ключ. У ключів My Key такими елементами є дві рухомі кульки, розміщені в ніжці ключа між борідками — без цих елементів ключі відкрити замок не зможуть.
Наявність кульок також запобігає небажаному копіюванню ключів — їх заготовки постачаються фабрикою виключно в сертифіковані центри Mottura Club (в Одесі такі є), а дублікати виготовляються після пред'явлення пластикової картки, що входить до комплекту, з кодовою комбінацією замка та одного з ключів. Тому навіть якщо ключ потрапить до рук сторонніх осіб, виготовити його дублікат буде непросто.
Модель має секретний механізм сугальдного типу з подвійною борідкою, ключі якого мають різні секрети на шести різних висотах. На відміну від інших моделей серії, 52.J783 оснащений новим, ускладненим та вужчим профілем ключа, що значно підвищило рівень протистояння самоімпресії та відмичкам.
Однією з важливих особливостей роботи замка є шайба відсічки, яка при повороті механіки замка перекриває по краях ключовий канал, не даючи можливості проводити маніпуляції відмичками, для яких потрібні краї ключової щілини. Сукупність усіх рішень робить модель стійкою до всіх видів розкриття як силових, так і інтелектуальних.
У комплект, крім замка, входить запірна планка, внутрішня та зовнішня декоративні накладки, два набори ключів із різними секретами — один допоміжний та п'ять основних.








