
Замок Моттура 54.797
Подвійний замок 54-ї серії із защіпкою та керуванням фалевою ручкою. Основне призначення — експлуатація у важких сталевих дверях. Виготовлений в Італії.
Особливості моделі
Моттура 54.797 — одна з найпоширеніших в Одесі моделей з добрим відношенням зламостійкості до ціни, яка є початковою у своїй лінійці. На її базі існує кілька моделей, найкращою з яких є замок 54.J797 My Key, що має новий рівень можливостей.
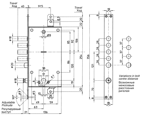
Верхній замок моделі керує приводами до тяг системи багатостороннього замикання та оснащений секретним механізмом сугальдного типу з подвійною борідкою і крученими пружинами, розміщеному в модулі Easy Go. Секретність замка можна змінити встановленням нового модуля із сугальдами, що комплектується новим набором ключів. Частина сугальд оснащена обманними пазами, частина може бути без пружин та виставлятися ключем. Ключі замка несиметричні — борідки (боки) мають різні секрети на шести різних висотах. Всі описані рішення спрямовані на підвищення протистояння інтелектуальним методикам розкриття — насамперед роботі відмичками.
Верхній замок також оснащений захистом від згортання (силового повороту) — для цього ослаблений хвостовик засува, який при перевищенні зусилля повороту обламується, унеможливлюючи подальшу роботу згортишем. Стійка хвостовика засува захищена від висвердлювання запресованою загартованою кулькою, а спеціальний важіль запобігає забиванню ригелів усередину корпусу.
Протистояння всім видами зламу підвищується наявністю «фірмової» технології подвійних замків Моттура — перекриттям твердосплавною заслінкою ключової щілини верхнього сугальдного замка при закритті нижнього.
У комплект, крім замка, входить запірна планка, внутрішня та зовнішня декоративні накладки, набір із п'яти ключів.





