

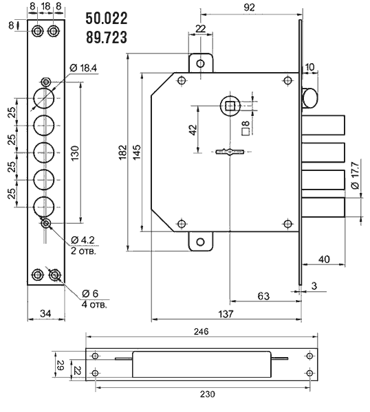
Замок Моттура 50.022 (89.723)
Модель 50-ї серії з защіпкою та можливістю керування фалевою ручкою. Основне призначення — експлуатація в сталевих дверях та конструкціях зі сталі. Виготовлений в Італії.
Особливості моделі
Модель має секретний механізм сугальдного типу з подвійною борідкою та крученими пружинами. Частина сугальд оснащена несправжніми пазами, частина може бути без пружин та виставлятися ключем. Ключі замка несиметричні — борідки (боки) мають різні секрети на шести різних висотах. Всі описані рішення спрямовані на підвищення протистояння інтелектуальним методикам розкриття — насамперед роботі відмичками.
Замок оснащений захистом від згортання (силового повороту) — для цього ослаблений хвостовик засува, який при перевищенні зусилля повороту обламується, унеможливлюючи подальшу роботу згортишем. Стійка хвостовика засува захищена від висвердлювання запресованою загартованою кулькою.
У комплект, крім замка, входить запірна планка, внутрішня та зовнішня декоративні накладки та набір із п'яти ключів.




